このページの本文へ移動

金属製遮音板

建材事業部

金属製遮音板の画像

吸音・遮音に優れた金属製遮音板

最も広く利用されている金属製吸音パネルで、高い吸音性能と遮音性能を有しています。

製品の特長

広く採用されている高吸音・高遮音の金属製吸音パネル

ポリエステル繊維吸音材を用いた吸音構造

端尺パネル・端部用傾斜パネルの製作対応

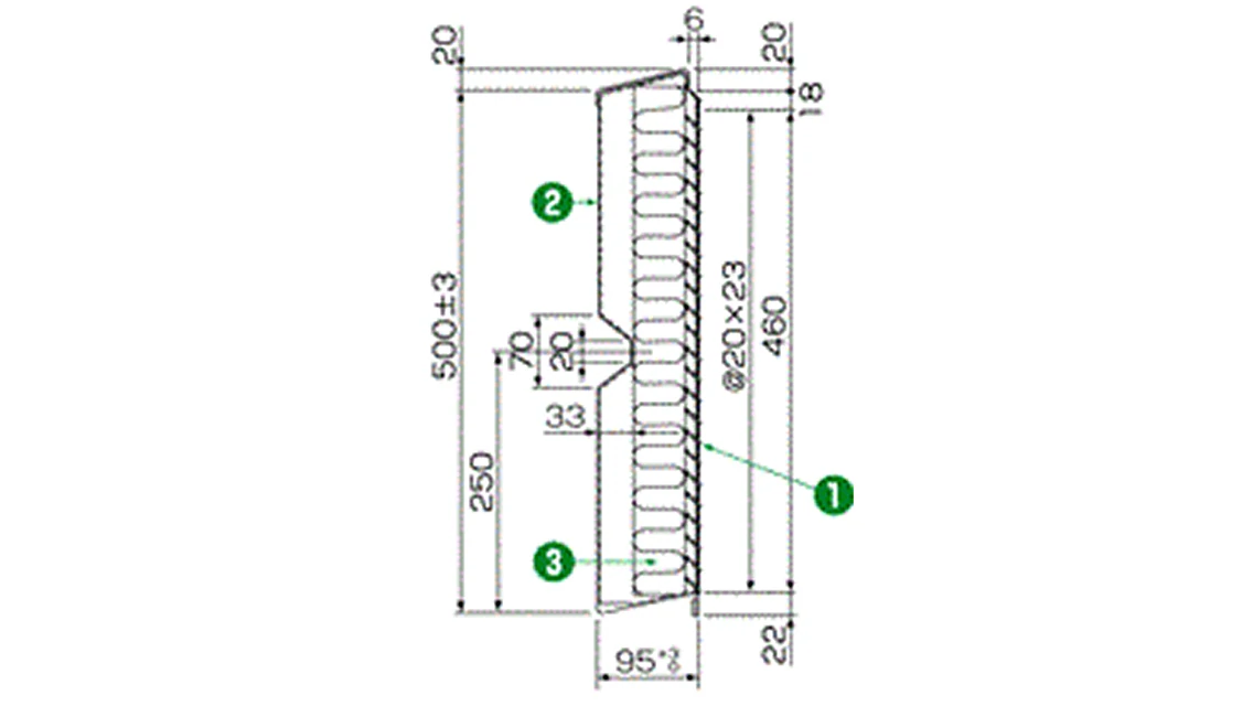
仕様

パネルの長さ 型番 参考重量
2m KSB-2 26kg
4m KSB-4 50kg
記号 名称 材質 厚さmm
前面板 アルミニウム 1.0
背面板 亜鉛鉄板 1.6
吸音材 ポリエステル繊維吸音材 50

性能

吸音率(吸音材:ポリエステル繊維吸音材)

吸音率(吸音材:ポリエステル繊維吸音材)の画像

透過損失(吸音材:ポリエステル繊維吸音材)

透過損失(吸音材:ポリエステル繊維吸音材)の画像

活用事例

用途

  • 高速道路・幹線道路などの遮音壁

お問い合わせ

建材事業部へのお問い合わせ

クリモトの事業や製品を知る