消防登録認定品 白蝶M-651、M-671
バルブシステム事業部
バルブは今、Stainless Age
豊富なノウハウと経験をフルに生かしステンレス製バタフライ弁「白蝶」を開発し、軽量・コンパクト・清潔・断熱性・耐食性などステンレスならではの数々の優れた特長に加え、コストパフォーマンスを実現しました。
製品の特長
優れた耐久性
耐久性に優れたステンレス鋼製です。
軽量でコンパクト、優れた断熱性、耐電食性
鋳鉄製などと比べて軽量でコンパクト、高い断熱性や耐電食性、耐腐食性などのステンレス製ならではの優れた特長を持っています。
高圧下で使用可能
16Kや20Kといった高圧下で優れたシール性能を発揮します。
仕様
標準仕様
| 項目 | M-651 | M-671 |
|---|---|---|
| 形式 | ウェハー形ゴムシートバタフライ弁・偏心形 | |
| 呼び径 | 50、65、80、100、125、150、200、250、300mm | |
| 適用流体 | 水、空気 | |
| 最高許容圧力 | 1.6MPa | 2.0MPa |
| 空気の場合はお問い合わせください。 | ||
| 流体温度 | 0~90℃ | |
| 主要部材質 | 上図をご参考ください。 | |
| 接続フランジ | JIS 16K、JIS 10K (JIS 5K、JIS 6.5Kは接続できません) |
JIS 20K |
| 面間寸法 | JIS B 2032 系列46 | |
| 弁箱耐圧試験(水) | 2.4MPa | 3.0MPa |
| 弁座漏れ試験(水) | 1.76MPa | 2.2MPa |
| 構造 | 上図をご参照ください。 | |
| 操作方法 | 手動(ギヤハンドル式) | |
| 開閉方向 | 左回り開き(右回り開きは、製作しておりません) | |
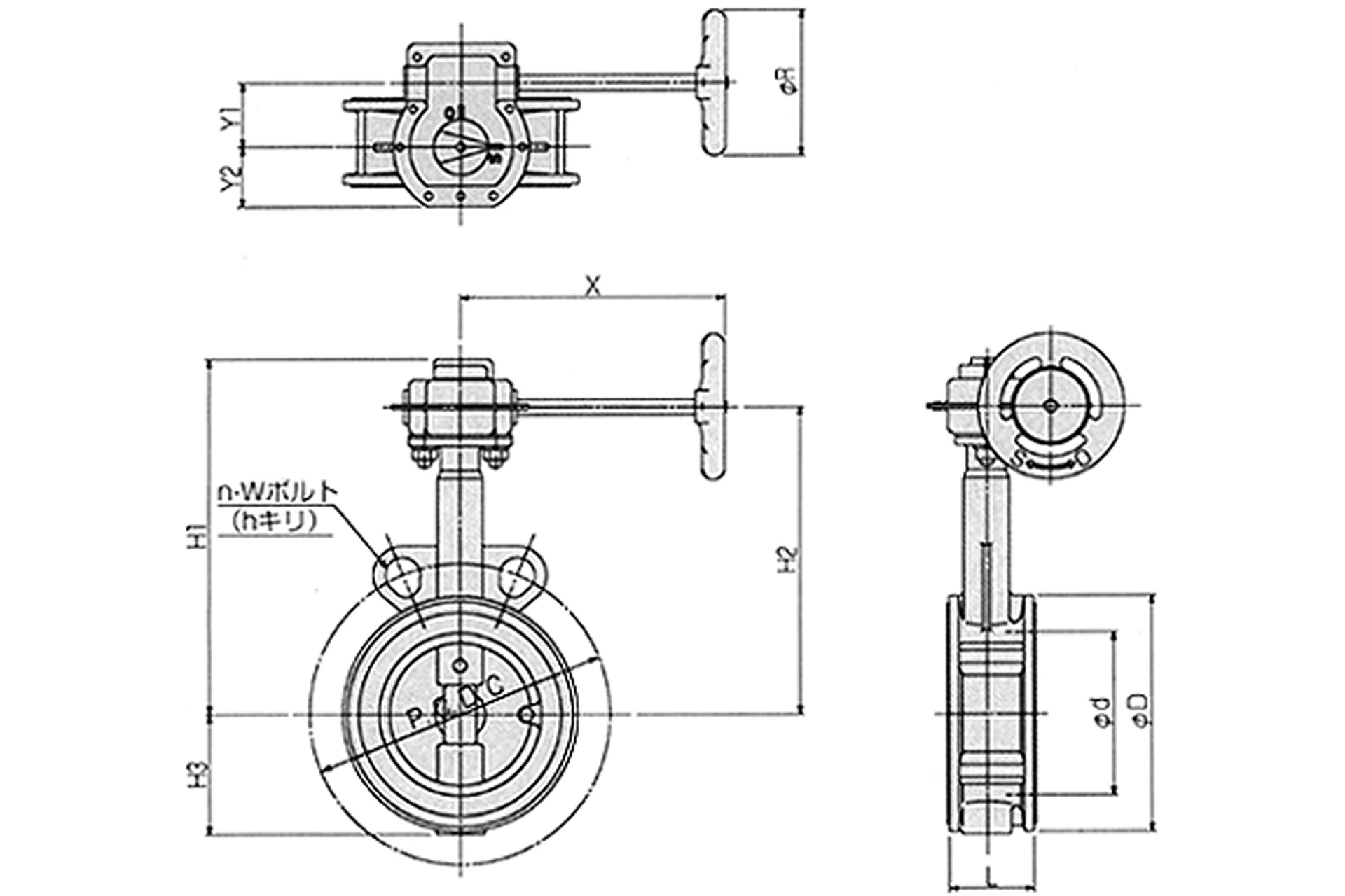
外形・寸法
| 呼び径 (mm) |
面間 | 各部寸法(mm) | 開閉装置 形式 |
全閉~全開 回転数(回転) |
質量 約(kg) |
||||||||
|---|---|---|---|---|---|---|---|---|---|---|---|---|---|
| L | d | D | H1 | H2 | H3 | X | Y1 | Y2 | R | ||||
| 50 | 43 | 53 | 90 | 189 | 159 | 47 | 163 | 39.5 | 36.5 | 90 | KU-1-9 | 9 | 2.4 |
| 65 | 46 | 67 | 105 | 199 | 169 | 55 | 163 | 39.5 | 36.5 | 90 | KU-1-9 | 9 | 2.8 |
| 80 | 46 | 80 | 120 | 204 | 174 | 63.5 | 163 | 39.5 | 36.5 | 90 | KU-1-12 | 9 | 3.5 |
| 100 | 52 | 100 | 145 | 219 | 189 | 74 | 163 | 39.5 | 36.5 | 90 | KU-1-12 | 9 | 4.7 |
| 125 | 56 | 125 | 170 | 247 | 213 | 94 | 206 | 55.5 | 47 | 160 | KU-5-17 | 10 | 8.2 |
| 150 | 56 | 150 | 205 | 262 | 228 | 108 | 206 | 55.5 | 47 | 160 | KU-5-19 | 10 | 10.6 |
| 200 | 60 | 200 | 260 | 287 | 253 | 141 | 206 | 55.5 | 47 | 160 | KU-5-23 | 10 | 16.9 |
| 250 | 68 | 250 | 315 | 309.5 | 275.6 | 172 | 247 | 52 | 57 | 250 | AB215N | 9 | 29.5 |
| 300 | 78 | 300 | 365 | 374.5 | 327.5 | 204 | 282 | 71 | 84 | 300 | AB550N | 9 | 47 |
- ガイド穴は、10K・16K・20K用穴となっています。
カタログ・価格表のダウンロード
お問い合わせ
バルブシステム事業部へのお問い合わせ